
NK PLUS
- 고품질 저소음 기어드모터
- NK PLUS MOTOR (남강 자사모터), 효성모터, 하이젠모터 적용
- IEC 플랜지, 라인파워 타입 등으로 다양한 활용 가능
- 고강성. 고토크
- 빠른 납기 및 철저한 AS
| 번호 | 제품명 | 모델명 | 감속비 | 용량 | 2D CAD | 3D CAD | 비고 | |
|---|---|---|---|---|---|---|---|---|
| 1 | 0.2KW | NH88 | 5~100 | 1/4HP | 2D CAD | 수평 | ||
| 2 | 0.2KW | NH105 | 150~200 | 1/4HP | 2D CAD | 수평 | ||
| 3 | 0.2KW | NV88 | 5~100 | 1/4HP | 2D CAD | 수직 | ||
| 4 | 0.2KW | NV105 | 150~200 | 1/4HP | 2D CAD | 수직 | ||
| 5 | 0.4KW | NH105 | 3~200 | 1/2HP | 2D CAD | 수평 | ||
| 6 | 0.4KW | NH115 | 3~120 | 1/2HP | 2D CAD | 수평 | ||
| 7 | 0.4KW | NV115+NH153 | 150~300 | 1/2HP | 2D CAD | 수평 | ||
| 8 | 0.4KW | NV115+NH172 | 400~1200 | 1/2HP | 2D CAD | 수평 | ||
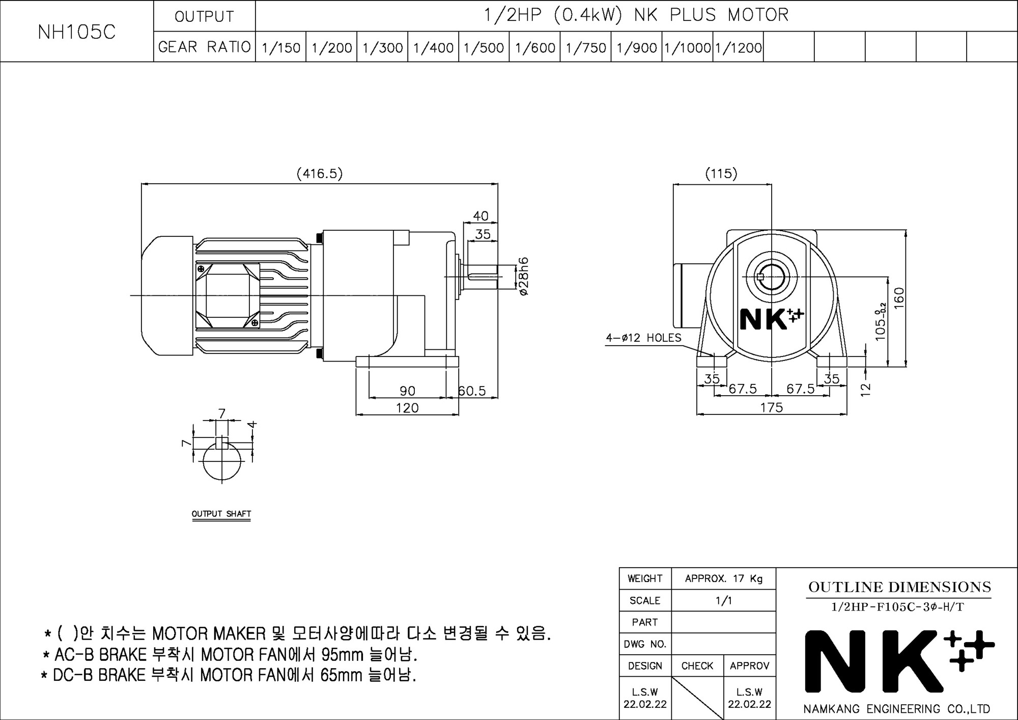
| 9 | 0.4KW | NH105C | 150~1200 | 1/2HP | 2D CAD | 수평 | ||
| 10 | 0.4KW | NV105 | 3~200 | 1/2HP | 2D CAD | 수직 | ||
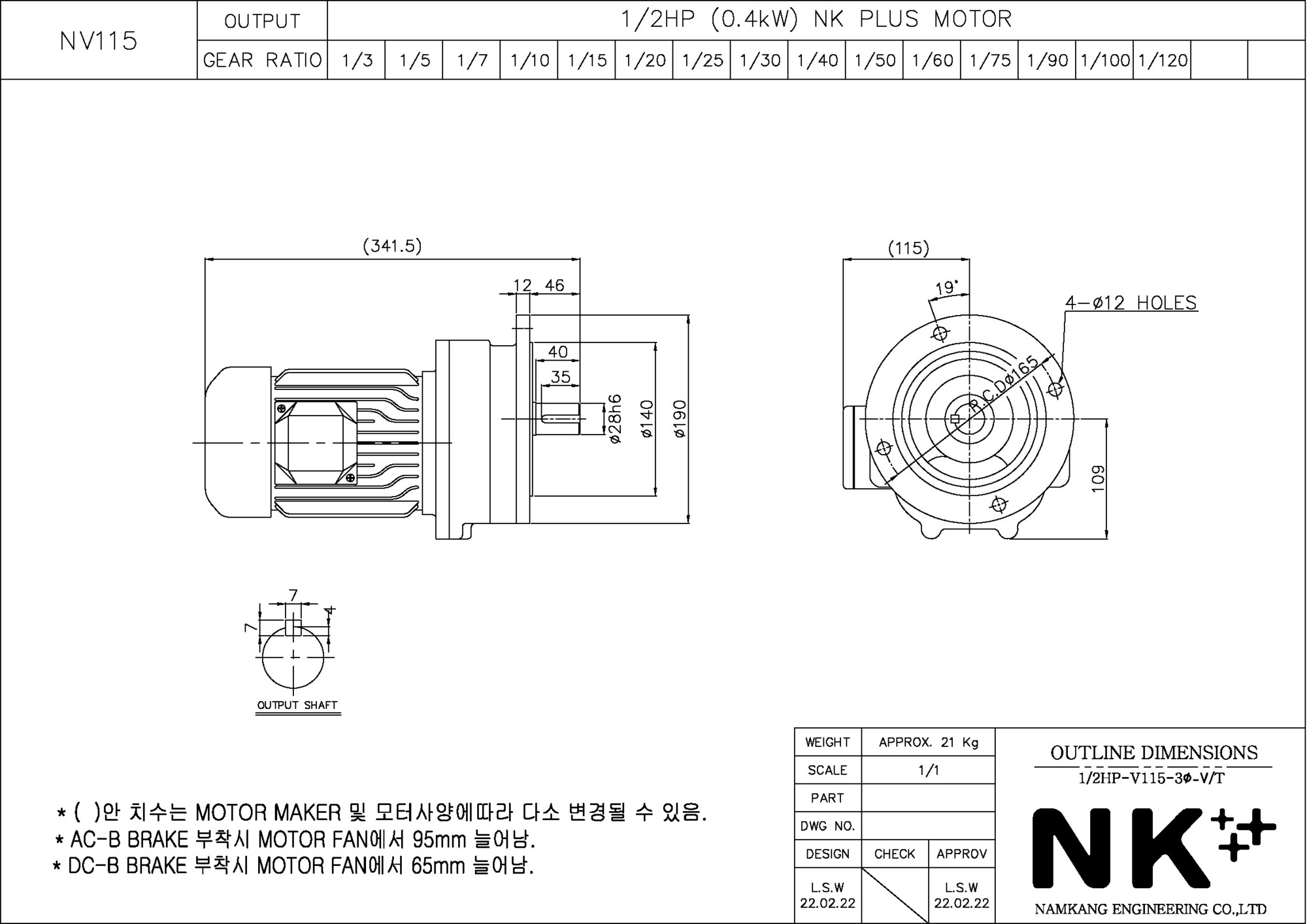
| 11 | 0.4KW | NV115 | 3~120 | 1/2HP | 2D CAD | 수직 | ||
| 12 | 0.4KW | NV115+NV153 | 150~300 | 1/2HP | 2D CAD | 수직 | ||
| 13 | 0.4KW | NV115+NV172 | 400~1200 | 1/2HP | 2D CAD | 수직 | ||
| 14 | 0.4KW | NV105C | 150~1200 | 1/2HP | 2D CAD | 수직 | ||
| 15 | 0.75KW | NH135 | 3~30 | 1HP | 2D CAD | 수평 | ||
| 16 | 0.75KW | NH153 | 40~120 | 1HP | 2D CAD | 수평 | ||
| 17 | 0.75KW | NV135+NH181 | 150~600 | 1HP | 2D CAD | 수평 | ||
| 18 | 0.75KW | NV135 | 3~30 | 1HP | 2D CAD | 수직 | ||
| 19 | 0.75KW | NV153 | 40~120 | 1HP | 2D CAD | 수직 | ||
| 20 | 0.75KW | NV135+NV181 | 150~600 | 1HP | 2D CAD | 수직 |
